Published:2011/7/23 3:47:00 Author:qqtang | Keyword: burglarproof alarm | From:SeekIC

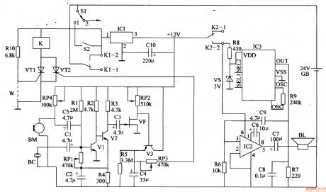
The working principle of the circuitThe burglarproof alarm circuit consists of the sound control circuit, cutting off trigger/self-lock switch circuit, regulated circuit and alarm circuit, see as figure 7-83.
The sound control circuit consists of the microphone BM, piezoelectric pottery BC, resistors R1-R5, potentiometers RP1-RP4, capacitors C1-C5, transistors V1-V3 and the FET VF. The cutting off trigger/self-lock switch circuit consists of the resistor RIO, short alarm line W, relay K and thyristor (VT1, TV2).
Reprinted Url Of This Article:
http://www.seekic.com/circuit_diagram/Control_Circuit/The_automobile_burglarproof_alarm_5.html
Print this Page | Comments | Reading(3)
Code: