Published:2011/6/25 20:16:00 Author:qqtang | Keyword: axis, temperature alarm | From:SeekIC

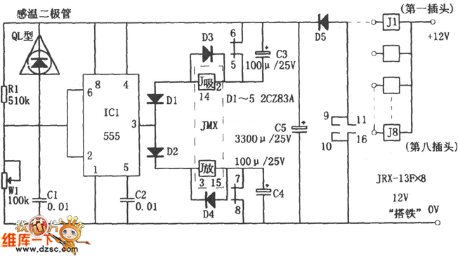
In the figure is the axis temperature alarm circuit. The alarm consists of the sensing component, time-base circuit IC1(555) and relays, etc. In this circuit, the sensing element is the temperature sensing diode(QL type), which is usually fixed in the axis box and installed on the circuit board by a self-closed plug. The temperature diode QL is in parallel connection with R1, when the axis is in a normal temperature, the resistor R1 and potentiometer W1 distribute the voltage, which make the 6-pin of 555 in a LEV which is lower than 1/3VDD(=4V)and the 3-pin output a high LEV. The corresponding pulse relay (the magnet maintaining relay) MX is in the releasing state.
Reprinted Url Of This Article:
http://www.seekic.com/circuit_diagram/Control_Circuit/The_axis_temperature_alarm_circuit.html
Print this Page | Comments | Reading(3)
Code: