Published:2011/6/22 3:54:00 Author:Borg | Keyword: multi-line, alarm circuit | From:SeekIC

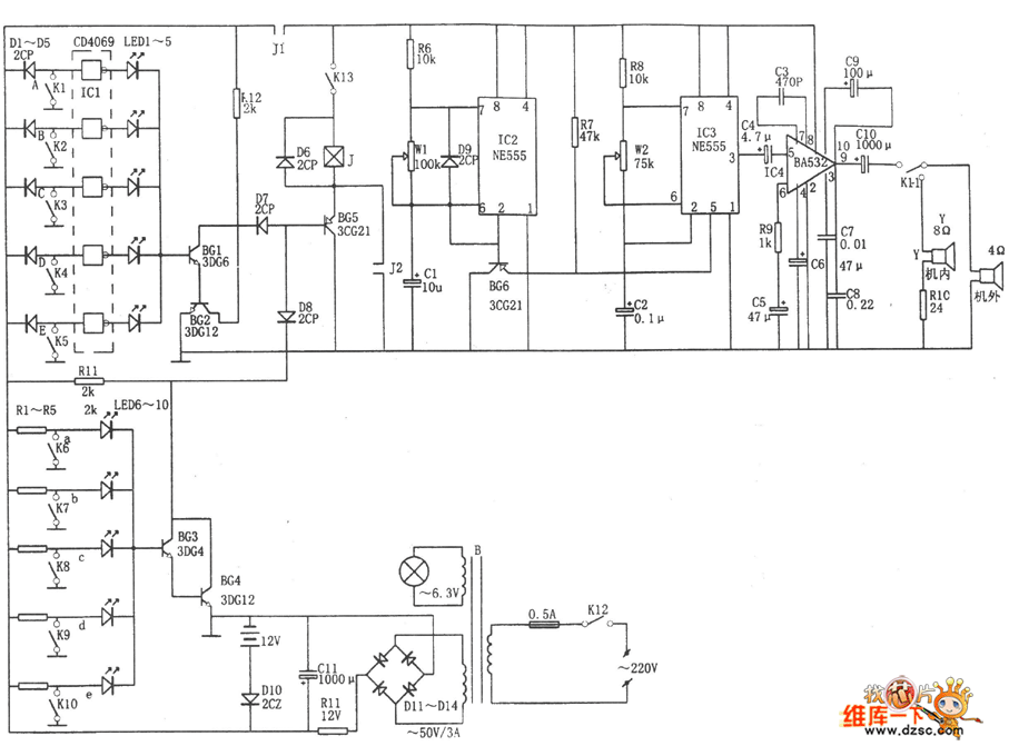
In the figure is the broken and short multi-line stereo alarm circuit. The alarm consists of the rectifier power supply, stereo part, 5 short lines and 5 broken lines of alarm and control circuits. The rectifier power supply consists of D11~D14,R11,C11,D10 and so on, the stereo alarm circuit consists of IC2(NE555) and IC3(NE555), etc. IC4(BA532) is the power amplifier circuit, whose output power can reach 5W. The short or touch alarm part consists of 6-phase inverter IC1(CD4069), BG1, BG2 and so on, when the human body touches either terminal of A~E, as the input terminal of the OR gate is in a low LEV.
Reprinted Url Of This Article:
http://www.seekic.com/circuit_diagram/Control_Circuit/The_broken_and_short_multi_line_stereo_alarm_circuit.html
Print this Page | Comments | Reading(3)
Code: