Published:2011/7/23 2:51:00 Author:qqtang | Keyword: burglarproof alarm | From:SeekIC

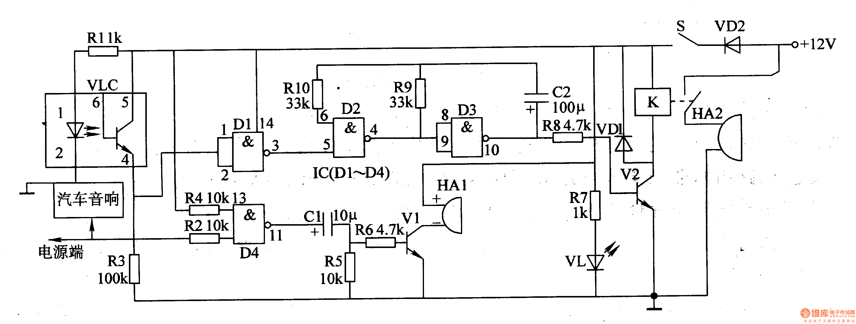
The working principle of the circuit The car sound burglarproof alarm consists of the photoelectric detection control circuit, self-detection circuit, low-frequency oscillator circuit and alarm circuit, see as figure 7-10.
The photoelectric detection control circuit consists of the photocoupler VLC, resistors of R1 and R3, the D1 inside the 4 NAND integrated circuits IC(Dl-D4). The self-detection circuit consists of the resistors of R2 and R4-R7, D4 inside IC, capacitor C1, transistor V1, LED VL and buzzer HA1.
Reprinted Url Of This Article:
http://www.seekic.com/circuit_diagram/Control_Circuit/The_car_sound_burglarproof_alarm_1.html
Print this Page | Comments | Reading(3)
Code: