Published:2011/7/23 2:56:00 Author:qqtang | Keyword: burglarproof alarm | From:SeekIC

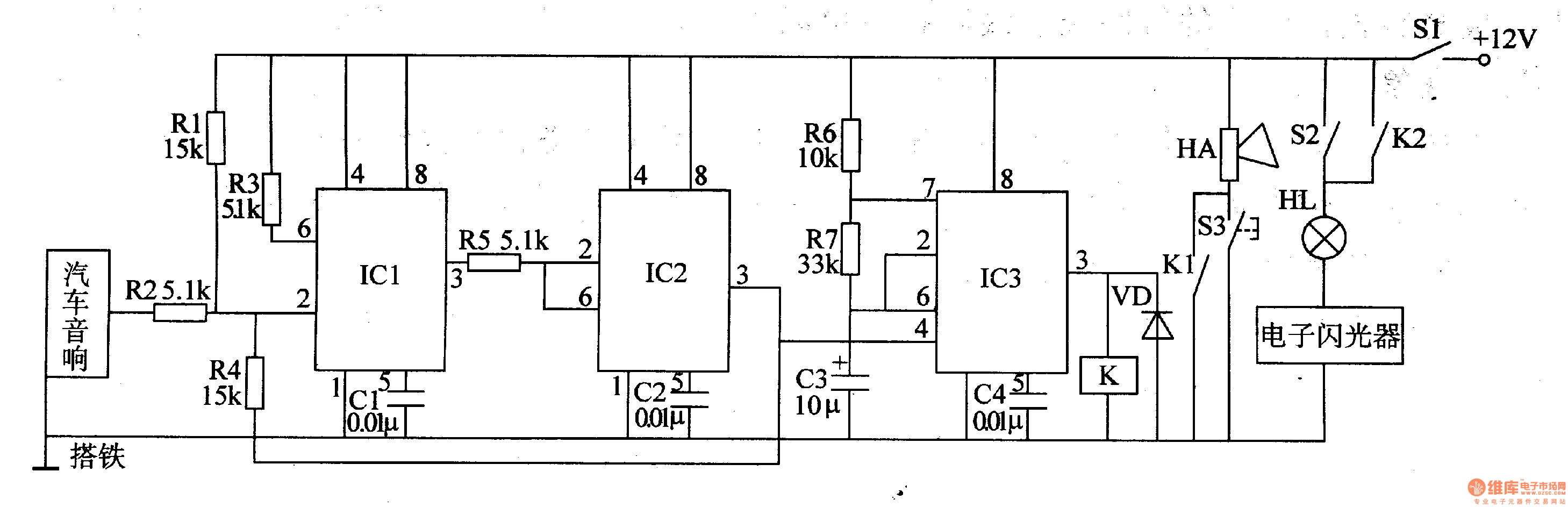
The working principle of the circuitThe car sound burglarproof alarm consists of the trigger control circuit and alarm circuit, see as figure 7-102.
The trigger control circuit consists of the time-based integrated circuits of IC1 and IC2, resistors R1-R5 and capacitors of C1 and C2.The alarm circuit consists of the time based integrated circuit IC3, resistors of R6 and R7, capacitor VD, relay K and the flash HL on the car, loudspeaker HA and so on.
Reprinted Url Of This Article:
http://www.seekic.com/circuit_diagram/Control_Circuit/The_car_sound_burglarproof_alarm_2.html
Print this Page | Comments | Reading(3)
Code: