Published:2011/6/27 21:35:00 Author:Borg | Keyword: microwave, burglarproof alarm | From:SeekIC

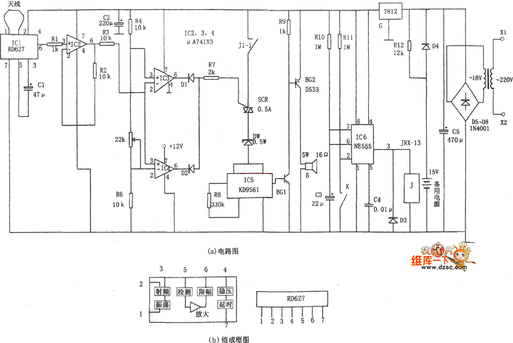
In the figure is the circuit of the microwave burglarproof alarm. This circuit consists of the Doppler FS sensor circuit IC1, the voltage comparator, the trigger single steady and delay circuit, stereo integrated circuit IC5 and so on. When the moving target is coming up, due to the FS between the reflected magnetic wave and the emitting wave, the Doppler FS sensor IC1 will output the DC LEV which is in positive proportion to the Doppler frequency generated when the object is moving, therefore, the detection and alert are done. And the microwave protection area is about 100m. The Doppler FS sensor IC1 is adopted with RD727 module.
Reprinted Url Of This Article:
http://www.seekic.com/circuit_diagram/Control_Circuit/The_circuit_of_the_microwave_burglarproof_alarm.html
Print this Page | Comments | Reading(3)
Code: