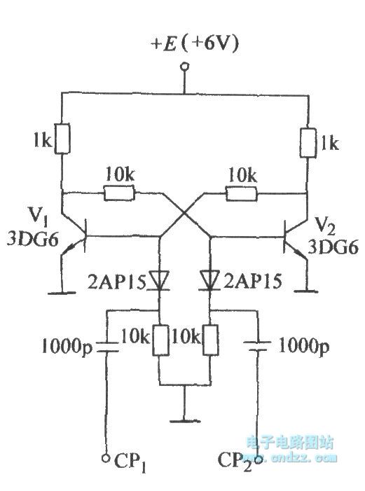
Published:2011/7/7 7:54:00 Author:Seven | Keyword: double steady circuit, reversed bias | From:SeekIC

Reprinted Url Of This Article:
http://www.seekic.com/circuit_diagram/Control_Circuit/The_double_steady_circuit_without_reversed_bias.html
Print this Page | Comments | Reading(3)
Code: