Published:2011/7/5 6:18:00 Author:Borg | Keyword: frequency converter, speed circuit | From:SeekIC

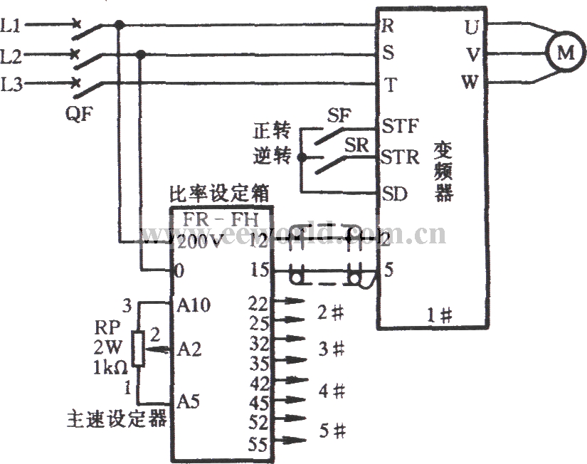
See as the figure, FR—FH is the ratio setting case, which can connect with 5 frequency converters. When more than one frequency converters need to output the ratios that are different from the main control speed, the FR-FH can set this, for example, during the progress of assembly line delivery, there are speed differences among the processes while the main speed is changeable, the connection can be done according to the figure.
Reprinted Url Of This Article:
http://www.seekic.com/circuit_diagram/Control_Circuit/The_frequency_converter_speed_circuit_with_a_ratio_setting_case.html
Print this Page | Comments | Reading(3)
Code: