Published:2011/6/24 8:04:00 Author:qqtang | Keyword: gas, fog alarm | From:SeekIC

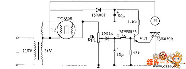
See as the figure, when there is combustible gas. The conductance of TGS308 gas sensor is increasing, the voltage is picked out by the potentiometer RP1 floating spot, and its value rises to 20v from the normal 3V effectively. The risen voltage is added to the transistor VT1 by the diode and the 4.7kΩ resistor, which makes VTI conducting, and the dual-direction transistor 2N6070A is conducting with VT1. Therefore, the full-wave AC conductance H generates a sound of 90dB, which fulfills alarming. H is a 20V AC alarm of De1taJ6003168. When the gas disappears from the sensor, the circuit gets to it primary state.
Reprinted Url Of This Article:
http://www.seekic.com/circuit_diagram/Control_Circuit/The_gas_fog_alarm_circuit.html
Print this Page | Comments | Reading(3)
Code: