Published:2011/6/10 4:46:00 Author:qqtang | Keyword: high sensitivity, loud sound alarm | From:SeekIC

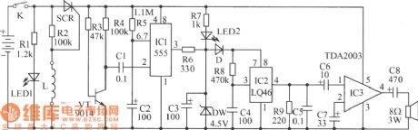
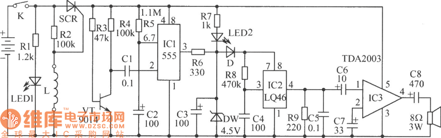
In the figure is the high sensitivity loud sound alarm circuit. This alarm is suitable for orchard security alarm systems. It is very sensitive and loud, so it has a good effect on the thieves, even if there are no guards in the orchard, the owners don't need to worry about their fruit, because the sound of catch the thieves will attract the people's attention and keep thieves away. The alarm is triggered by touch, once it was triggered, even linking the wires again is useless, the sound will be stopped in two minutes. The circuit is easy to make.
Reprinted Url Of This Article:
http://www.seekic.com/circuit_diagram/Control_Circuit/The_high_sensitivity_loud_sound_alarm_circuit.html
Print this Page | Comments | Reading(3)
Code: