Published:2011/6/28 22:11:00 Author:qqtang | Keyword: incubation, temperature control | From:SeekIC

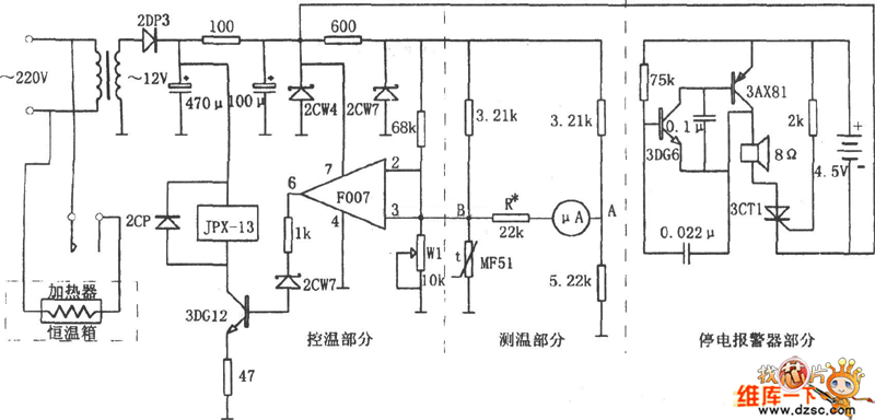
In the figure is the incubation temperature control circuit. This circuit consists of the temperature test circuit, temperature control circuit and power-off alarm circuit, etc.the temperature circuit is a non-equilibrium type bridge, which is indicated with a 50μA meter. One arm of the bridge is a sensitive thermistor MF51 which has backward temperature coefficients. As the temperature in the incubation box changes, the resistance of MF51 is also changing, the LEV between A and B of the corresponding bridge is changing, too. The temperature change is reflected by the pointer of the 50ttA meter.
Reprinted Url Of This Article:
http://www.seekic.com/circuit_diagram/Control_Circuit/The_incubation_temperature_control_circuit.html
Print this Page | Comments | Reading(3)
Code: