Published:2011/7/2 22:37:00 Author:Borg | Keyword: inductance control, switch circuit | From:SeekIC

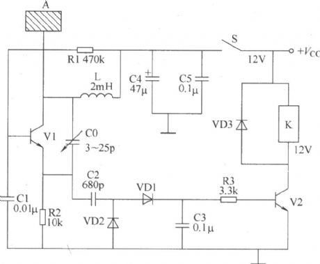
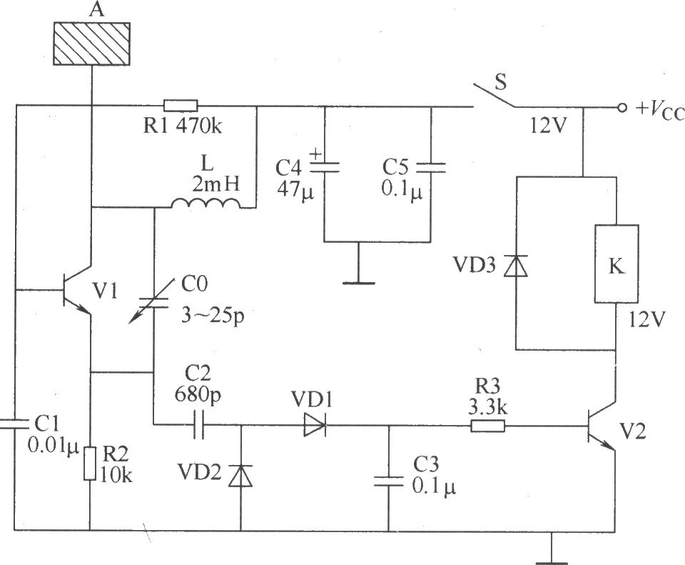
The following is to introduce an inductance controlled switch circuit (capacitance or approach control circuit) made of separated elements, when someone is getting close to the metal current inducting chip, the circuit is on and the load(indicator, alarm or lighting lamp, ventilator and so on) is working. The circuit consists of the inductance pole chip A, RF oscillator, RF detecting circuit and control executing circuit, see as the figure.
By adjusting the volume of C0, the staring/stopping TLV of the RF oscillator can be changed.
Reprinted Url Of This Article:
http://www.seekic.com/circuit_diagram/Control_Circuit/The_inductance_controlled_switch_circuit_1.html
Print this Page | Comments | Reading(3)
Code: