Published:2011/7/23 2:42:00 Author:qqtang | Keyword: oil furnace controller | From:SeekIC

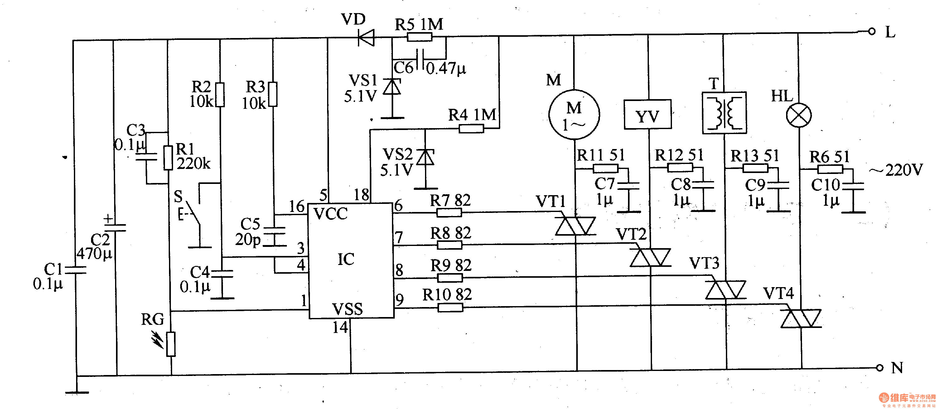
The working principle of the circuit The industrial oil furnace controller consists of the power supply circuit, detection/ignition control circuit and control executing circuit, see as figure 8-89.
The power supply circuit consists of the capacitor C6, releasing resistor R5, regulated diode VS1, rectifier diode VD and filter capacitors of C1 and C2. The detection/ignition control circuit consists of the resistor R1-R4, light sensitive resistor RG, capacitor C3-C5, reset key S, regulated diode VS2 and control integrated circuit IC.
Reprinted Url Of This Article:
http://www.seekic.com/circuit_diagram/Control_Circuit/The_industrial_oil_furnace_controller_2.html
Print this Page | Comments | Reading(3)
Code: