Published:2011/6/20 22:21:00 Author:Seven | Keyword: light dependent, control circuit | From:SeekIC

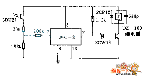
When one of the warps is broken, the light barrier which was hold by the warp is falling and blocks the light source of the LDR 3DU21, then the relay circuit is released, which controls the pulling over of the motor. The circuit is shown in the figure.
Reprinted Url Of This Article:
http://www.seekic.com/circuit_diagram/Control_Circuit/The_light_dependent_control_circuit.html
Print this Page | Comments | Reading(3)
Code: