Published:2011/6/9 6:32:00 Author:Lucas | Keyword: loom , electricity saving , controller | From:SeekIC

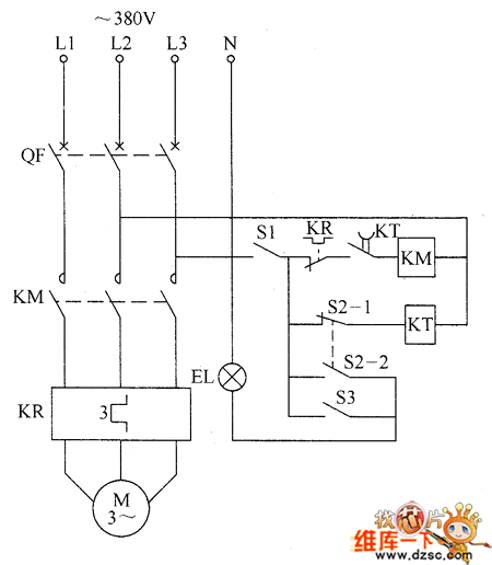
The loom electricity saving controller circuit is composed of the air switch QF, AC contactor KM, time relay KT, control switch S1, limit switch S2, manual light switch S3, thermal relay KR and illuminating lamp EL, and the circuit is shown as the chart. When the motor M operates normally, if the observation of gray cloth is needed illumination, the S3 being connected can make the EL be lit. When the motor M stops operation because of overload or over current fault, the normally closed contact of thermal relay KR is heated and disconnected to make the KM release, M stops running. S1 and S3 select 380V, SA's key self-locking power switch; S2 selects the two groups of contacts limit switch with the current being greater than 5A. EL uses the lights which are belong to loom. KT selects the time relay with the coil voltage being AC 380V.
Reprinted Url Of This Article:
http://www.seekic.com/circuit_diagram/Control_Circuit/The_loom_electricity_saving_controller_circuit_diagarm_1.html
Print this Page | Comments | Reading(3)
Code: