Published:2011/6/9 6:57:00 Author:Lucas | Keyword: loom, electricity saving controller | From:SeekIC

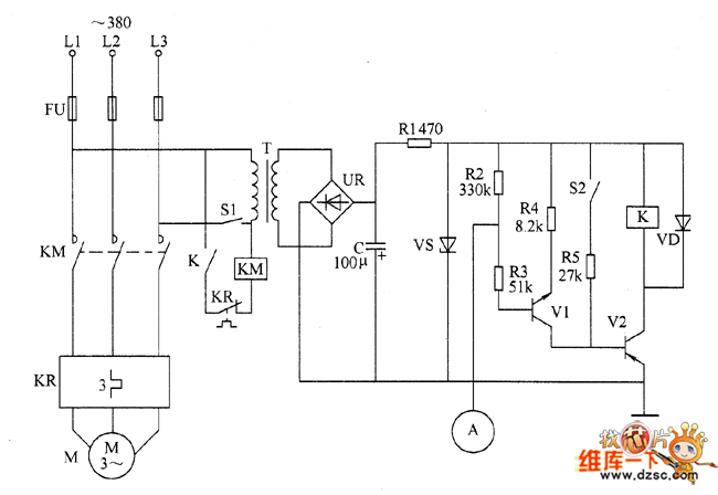
The loom electricity saving controller circuit is composed of the DC regulated power supply circuit, touch control circuit, automatic control circuit and main control circuit, and the circuit is shown as the chart. DC power supply circuit is composed of the power transformer T, bridge rectifier UR, filter capacitor C, current-limiting resistor RI and the voltage regulator diode VS. Touch-control circuit is composed of the touching electrode A, resistors R2 ~ M and transistor V1. The automatic control circuit is composed of the limit switch S2, resistor R5, relay Κ, diode VD and transistor V2. The main control circuit is composed of the fuse FU, thermal relay KR, AC contactor KM and manual control switch S1. C selects the aluminium electrolytic capacitor with the withstang voltage being 100V.
Reprinted Url Of This Article:
http://www.seekic.com/circuit_diagram/Control_Circuit/The_loom_electricity_saving_controller_circuit_diagarm_3.html
Print this Page | Comments | Reading(3)
Code: