Published:2011/6/9 7:11:00 Author:Lucas | Keyword: loom , electricity saving controller | From:SeekIC

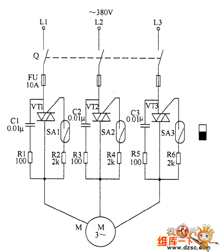
The loom electricity saving controller circuit is composed of the knife switch Q, fuse FU, thyristors VT1 ~ VT3, resistors R1 ~ R6, capacitors C1 ~ C3, reeds SA1 ~ SA3 and motor M, and the circuit is shown as the chart. R1 ~ R6 choose 2W metal film resistors. Adjusting the resistance of R2, R4 and R6 can change the VT1 ~ VT3 trigger sensitivity. When the loom stops because of occuring brokenyarn failure, the open and parking handle will jump to the parking position automatically under the action of the clutch. The normally open contacts of SA1 ~ SA3 are disconnected, VT1 ~ VT3 stop running because of the AC zero passage, and the motor M stops operation to enable the power-saving control after automatically stop.
Reprinted Url Of This Article:
http://www.seekic.com/circuit_diagram/Control_Circuit/The_loom_electricity_saving_controller_circuit_diagarm_4.html
Print this Page | Comments | Reading(3)
Code: