Published:2011/6/28 20:41:00 Author:qqtang | Keyword: prying resistant, alarm circuit | From:SeekIC

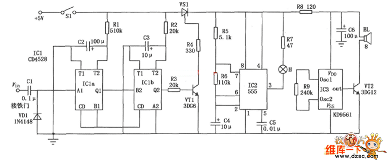
The metal door prying resistant alarm circuit is shown in the circuit. This circuit consists of the CD4528、NE555 and KD9561 integrated circuit and other external elements. The circuit control is sensitive and it's adjustable, it's also reliable and low-cost.
Reprinted Url Of This Article:
http://www.seekic.com/circuit_diagram/Control_Circuit/The_metal_door_prying_resistant_alarm_circuit.html
Print this Page | Comments | Reading(3)
Code: