Published:2011/6/29 0:50:00 Author:Seven | Keyword: multi-function, integrated circuits | From:SeekIC

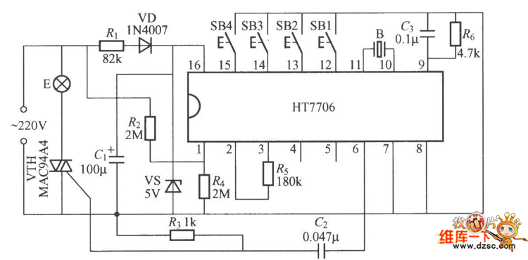
In the figure is the multi-function dimmer circuit of HT7760 special integrated circuits, which has four different dimming functions of stepless dimming, step dimming, lights-out delay and circling auto lights-out. B can be a common voltage pottery chip, other parameters are shown in the figure, which have no special regulation.
Reprinted Url Of This Article:
http://www.seekic.com/circuit_diagram/Control_Circuit/The_multi_function_dimmer_circuit_of_special_integrated_circuits.html
Print this Page | Comments | Reading(3)
Code: