Published:2011/7/5 10:19:00 Author:Borg | Keyword: operation circuit, release relay | From:SeekIC

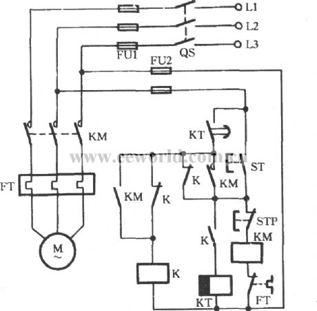
In some departments that need continuous work and can't be powerless, when the grid is power-off, they get the additional diesel generators into use immediately, which need the motor to start quickly. In the figure is the OFF-ON circuit which is fitted in these situations. When the key ST is pressed, the AC contactor KM is closed, the middle relay K and the time relay KT are closing in turn, the motor is working. If the gird is broken down, K will release power immediately, the coil of KT is (the release relay) power-off.
Reprinted Url Of This Article:
http://www.seekic.com/circuit_diagram/Control_Circuit/The_operation_circuit_with_the_release_relay.html
Print this Page | Comments | Reading(3)
Code: