Published:2011/6/28 21:29:00 Author:qqtang | Keyword: temperature control, temperature/frequency converter | From:SeekIC

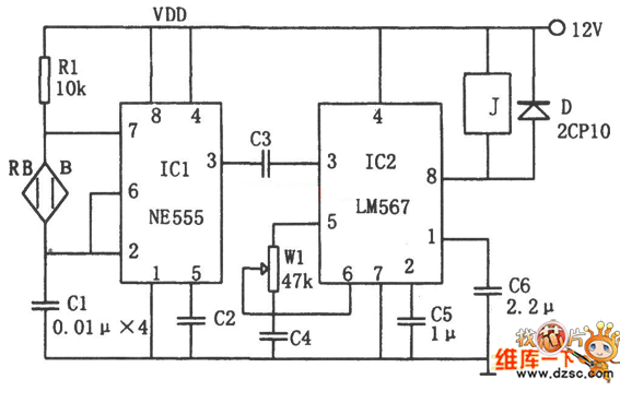
In the figure is the precise temperature control circuit of temperature/frequency converter, which consists of the temperature sensor B, multi-resonance oscillator, audio decoder and relay, etc. The oscillator consists of IC1(555), R1, C1 and the temperature sensor, whose oscillating frequency is fc=1.44/(Rl+2RB)C1. As RB changes with the temperature, so fs also changes with the temperature. The audio decoder is adopted with the audio decoding integrated circuit IC2(LM567) with phase-lock, whose central frequency is fo=1/1.1Rw1C4, by adjusting W1, fo is the frequency of setting temperature.
Reprinted Url Of This Article:
http://www.seekic.com/circuit_diagram/Control_Circuit/The_precise_temperature_control_circuit_of_temperature_frequency_converter.html
Print this Page | Comments | Reading(3)
Code: