Published:2011/7/8 0:07:00 Author:Seven | Keyword: principle profile, charger | From:SeekIC

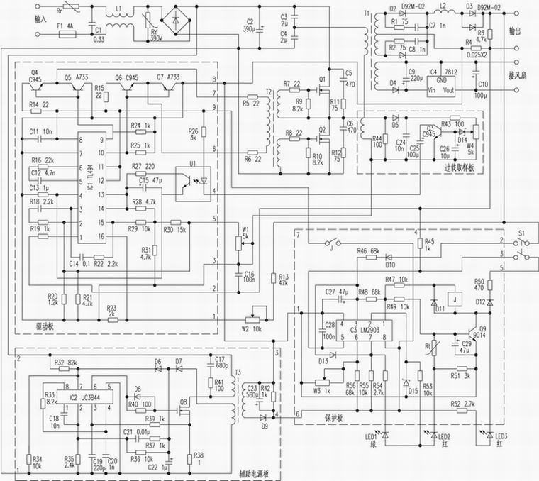
High-frequency switch motor is popular in the market due to its little size and high efficiency. Not long ago, the writer got a 62.4v/10A high-frequency switch charge core with the cooling fan from Xiangqiao Corp., the writer think it's worthwhile. To make it easy to repair, the writer has drawn the principle circuit, the introduction is as follows: The core consists of 4 modules which are main board drive, additional power supply, protection and overload sampling, and the main board includes the mains rectifier, power converter, high frequency rectifier and so on.
Reprinted Url Of This Article:
http://www.seekic.com/circuit_diagram/Control_Circuit/The_principle_profile_of_the_624V_10A_charger.html
Print this Page | Comments | Reading(3)
Code: