Published:2011/7/22 22:54:00 Author:qqtang | Keyword: protection controller | From:SeekIC

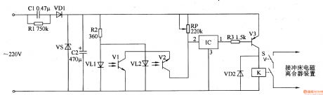
Here is to introduce a punch safety protection controller which can automatically cut off the power supply circuit of the punch electric magnetic clutch when the hand is close to the modes, so the punch won't injure the operator's hand, thus the safety of the operator is assured.The working principle of the circuitThe punch safety protection controller circuit consists of the DC regulator power supply circuit, infrared detection control circuit and control executing circuit, see as figure 8-87.
Reprinted Url Of This Article:
http://www.seekic.com/circuit_diagram/Control_Circuit/The_punch_safety_protection_controller.html
Print this Page | Comments | Reading(3)
Code: