Published:2011/6/29 0:43:00 Author:Seven | Keyword: dimming lamp, V-MOSFET | From:SeekIC

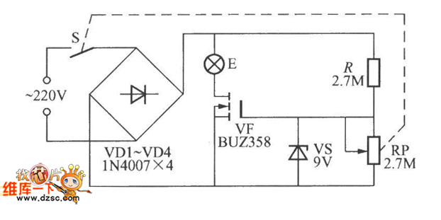
The simple V-MOSFET dimming lamp circuit is shown in the circuit, which harnesses the features of V-MOSFET that its impedance is high and controls the bulb current by adjusting the bias voltage of the V-MOS pipe grid, so that the brightness of the bulb is changed. The power of E is not higher than 60W.
Reprinted Url Of This Article:
http://www.seekic.com/circuit_diagram/Control_Circuit/The_simple_V_MOSFET_dimming_lamp_circuit.html
Print this Page | Comments | Reading(3)
Code: