Published:2011/6/24 8:00:00 Author:Seven | Keyword: single key, digital dimmer | From:SeekIC

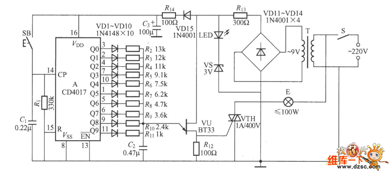
The single key digital dimmer circuit is shown in the figure, which is a thyristor trigger circuit composed of the CD4017 digital circuit and the single knot thyristor. It can adjust the brightness in 10 gears, and it is very convenient to use.
Reprinted Url Of This Article:
http://www.seekic.com/circuit_diagram/Control_Circuit/The_single_key_digital_dimmer_circuit.html
Print this Page | Comments | Reading(3)
Code: