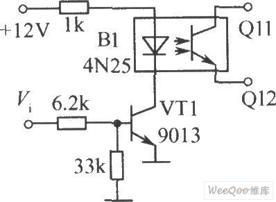
Published:2011/6/20 8:35:00 Author:Nancy | Keyword: photocoupler, switching circuit | From:SeekIC

Reprinted Url Of This Article:
http://www.seekic.com/circuit_diagram/Control_Circuit/The_switching_circuit_composed_by_photocoupler.html
Print this Page | Comments | Reading(3)
Code: