Published:2011/6/24 22:41:00 Author:qqtang | Keyword: time delay, transistors | From:SeekIC

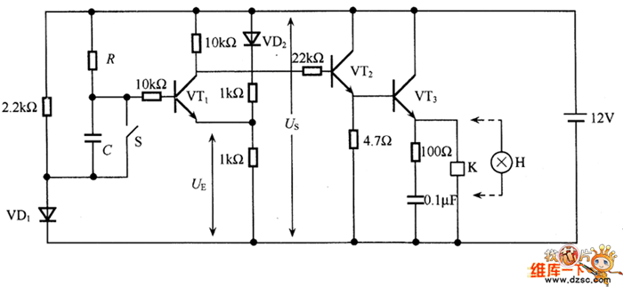
In the circuit is the time delay circuit composed of transistors, which is connected with the loading after the delayed time. According to the resistance of R and the comparing voltage UE change, the delayed time can be set. In the circuit, S is the charging switch of capacitor C, when S is closed, the electricity in C is released by S, which assures of the precise delayed time next time. VD1 and VD2 are used to reduce the effect of UBE on VT1. In the circuit, the loading current can only be 50mA or so, which can be expanded by switching VT3 into the Darlington transistor.
Reprinted Url Of This Article:
http://www.seekic.com/circuit_diagram/Control_Circuit/The_time_delay_circuit_composed_of_transistors.html
Print this Page | Comments | Reading(3)
Code: