Published:2011/7/7 21:04:00 Author:Seven | Keyword: timing alarm | From:SeekIC

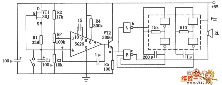
In the figure is the timing alarm circuit composed of integrated computing amplifier 5G26 and the NAND. The left part of the circuit is a timing device, 5G26 composes the comparing amplifier circuit, VT1 and R1 compose a constant current source, which charges C1, and the LEV of Vc is rising gradually (non-inverting phase input of the integrated op-amp), the RP potentiometer adjusts the voltage on the inverting input terminal, by comparing the non-inverting or inverting input LEV, RP decides whether to output a high or low LEV. The right part and NAND are as the voltage control.
Reprinted Url Of This Article:
http://www.seekic.com/circuit_diagram/Control_Circuit/The_timing_alarm_circuit_composed_of_5G26.html
Print this Page | Comments | Reading(3)
Code: