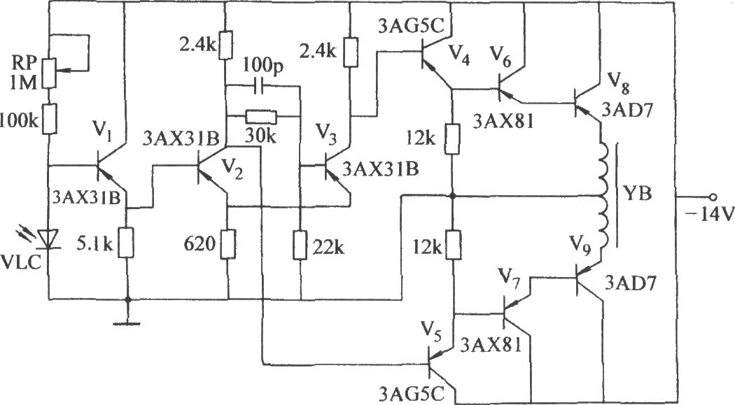
Published:2011/7/7 7:52:00 Author:Seven | Keyword: transformative emitter, dual steady circuit | From:SeekIC

Reprinted Url Of This Article:
http://www.seekic.com/circuit_diagram/Control_Circuit/The_transformative_emitter_coupling_dual_steady_circuit.html
Print this Page | Comments | Reading(3)
Code: