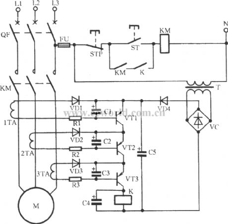
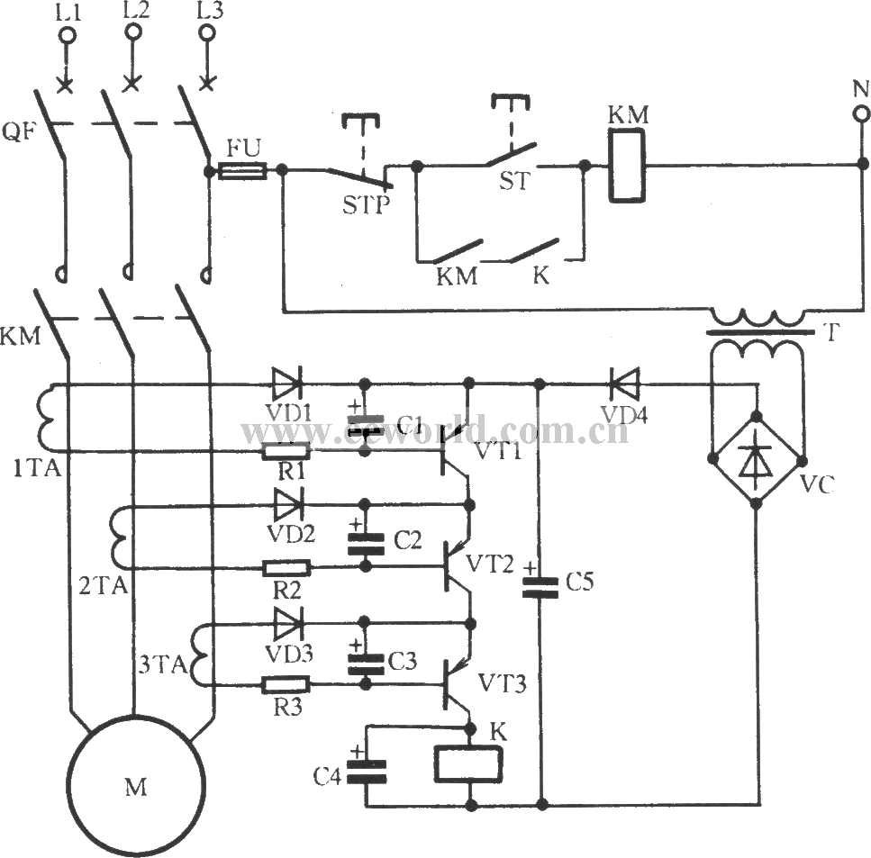
Published:2011/7/4 22:43:00 Author:Borg | Keyword: transistor, protection | From:SeekIC

Reprinted Url Of This Article:
http://www.seekic.com/circuit_diagram/Control_Circuit/The_transistor_and_gate_protection_circuit.html
Print this Page | Comments | Reading(3)
Code: