Published:2012/9/9 22:09:00 Author:Ecco | Keyword: triac , liquid level control | From:SeekIC

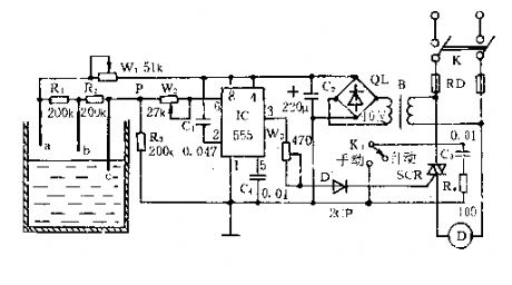
As shown in the figure, the controller is composed of the water level controller, trigger controller, and buck rectifier circuit.
The water level detecting electrodes a , b , c, and W1 , R1 , R2, and R3 form a bias circuit which can be used as a liquid level detector.
When the water surface is below b, VP -b ≈ R3 x VDD / ( RW1 + R1 + R2 + R3 ) < 1/3VDD, 555 is set, SCR is triggered and turned on, then the motor runs for pumping.
When the water level raises to a, Vp - a ≈ R3 x VDD / ( Rw1 ten R3 ) > 2/3VDD, then 555 resets, pin 3 is in low level. SCR is turned off, the motor stops because of no electricity, and then the circuit runs in the cycle to maintain the water level in a certain range.
Reprinted Url Of This Article:
http://www.seekic.com/circuit_diagram/Control_Circuit/The_triac_liquid_level_control_circuit.html
Print this Page | Comments | Reading(3)
Code: