Published:2011/8/3 23:08:00 Author:qqtang | Keyword: winding engine, auto limit controller | From:SeekIC

Theworkingprincipleofthecircuit
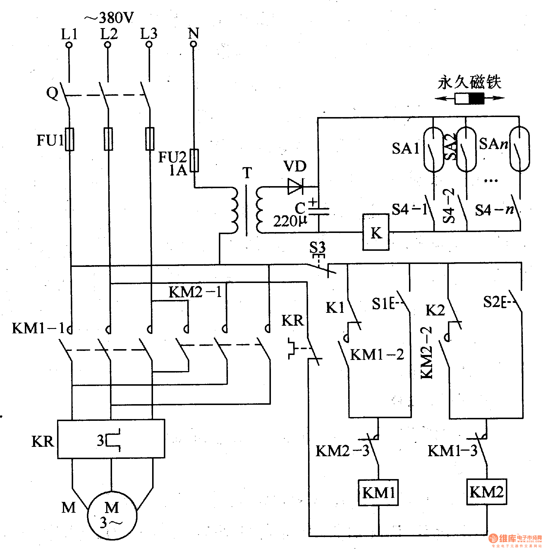
The winding engine auto limit controller circuit consists of the knife switch Q, fuses of FU1 and FU2, heat relay KR, relay K, AC contactors of KM1 and KM2, rising control key S1, dropping control key S2, stop button S3, button self-lock control switch S4(S4-1S4-n), reed pipe SAl-SAn, power supply transformer T, rectifier diode VD and filter capacitor C, see as figure 8-142.
After the AC 220V voltage between the phase wire L1 and neutral line L is stepped down by T, rectified by VD and filtered by C, it provides with 12V DC voltage for the relay K.
Reprinted Url Of This Article:
http://www.seekic.com/circuit_diagram/Control_Circuit/The_winding_engine_auto_limit_controller.html
Print this Page | Comments | Reading(3)
Code: