Published:2011/8/30 2:56:00 Author:Christina | Keyword: Three-diode, rectification, energy consumption, braking circuit | From:SeekIC

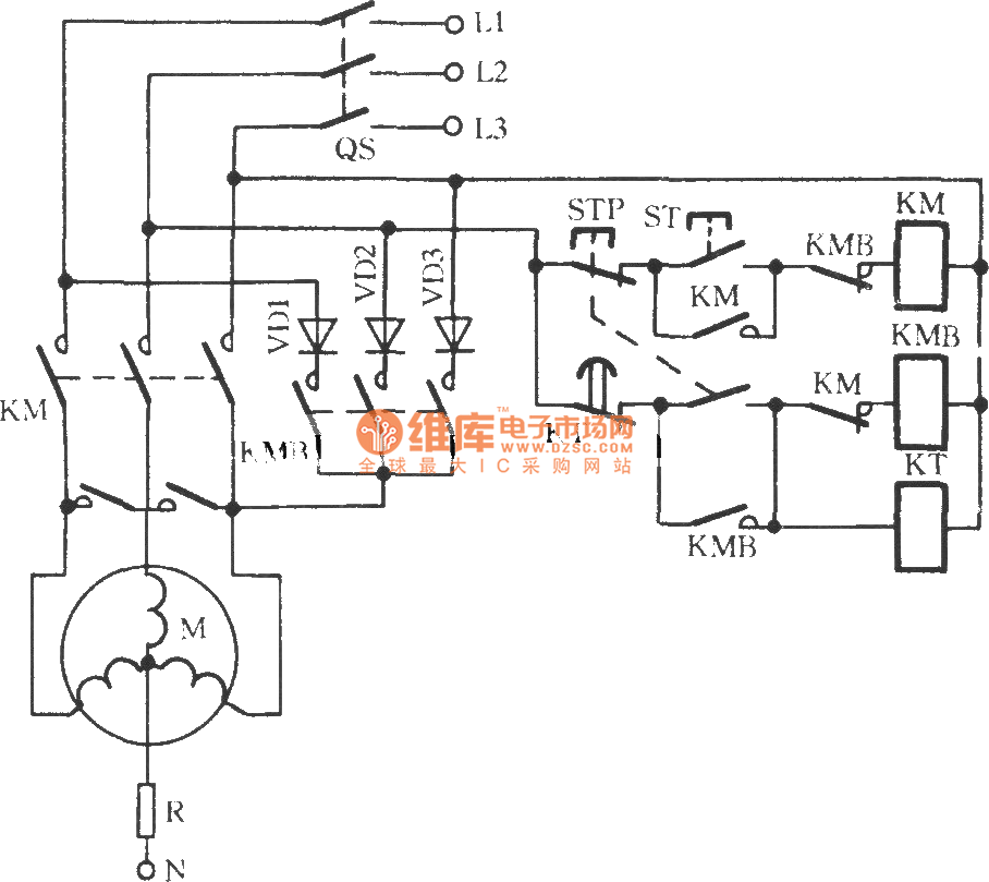
As the figure shows, when you press the STP, the AC contactor KM will loss the electrical energy and release, the KMB and KT get the electrical energy to act immediately, the two groups of main contactor of KMB will make the three-phase winding wire of the electromotor M get into the short circuit state, the other three groups of main contactor introduce the three-phase half wave rectifying power supply to make the stator winding of the electromotor M connect into the symmetrical parallel line, so we achieve the purpose of braking. Then the KT cuts off, the KMB losses the electrical energy to release, the braking is over. R is the limiting resistor.
Reprinted Url Of This Article:
http://www.seekic.com/circuit_diagram/Control_Circuit/Three_diode_rectification_energy_consumption_braking_circuit.html
Print this Page | Comments | Reading(3)
Code: