Published:2011/6/24 21:34:00 Author:TaoXi | Keyword: Three-phase, power supply, phase-lack, protection circuit | From:SeekIC

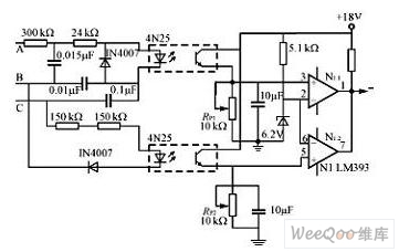
The three-phase power supply phase-lack protection circuit is as shown in the figure. If any phase of the A, B, C is lacking, the optical coupler output level is lower than the reference voltage of the comparator's reverse phase input port, the comparator outputs the low level to blockade the PWM drive signal and turn off the power. If you change the comparator's input polarity, it can be used as the high level PWM blockading signal. This kind of phase-lack protection circuit uses the opto-isolated strong electric, it is safe and reliable, the RP1 and RP2 can be used to adjust the phase-lack protection movement threshold.
Reprinted Url Of This Article:
http://www.seekic.com/circuit_diagram/Control_Circuit/Three_phase_power_supply_phase_lack_protection_circuit.html
Print this Page | Comments | Reading(3)
Code: