© 2008-2012 SeekIC.com Corp.All Rights Reserved.
Published:2011/10/20 21:20:00 Author:Rebekka | Keyword: time controller | From:SeekIC

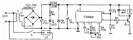
When the circuit gets power, it is connected instantaneously, and R5, C3 constitutes the differentiating circuit to guarantee delay time from zero. Under oscillator signal's influence, CD4060's internal counter starts to work, 3 feet is the 14th level counter's out port, if it makes 3 feet switches to the high level from low level, it needs t=213×2.2KC (second), and the low voltage of pin 3 causes the triode V closure. When delay time reaches, pin 3 jumps to high level from low level, then V is saturated breakover after being current limited by R6, and relay K pulls in, then the load gets the electricity. This electric circuit's delay time can be adjusted in 2.1~4 hours.
Reprinted Url Of This Article:
http://www.seekic.com/circuit_diagram/Control_Circuit/Time_controller_circuit_diagram_using_CD4060.html
Print this Page | Comments | Reading(3)
Response in 12 hours
© 2008-2012 SeekIC.com Corp.All Rights Reserved.
Code: