About SeekIC | Services | Payment | Advertisements service | Contact Us | Links
© 2008-2012 SeekIC.com Corp.All Rights Reserved.
Published:2009/7/22 3:51:00 Author:Jessie | From:SeekIC

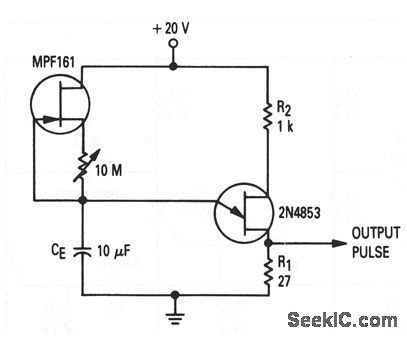
This circuit shows the basic UJT building block (Fig. 9-1), which is used to provide a time-delay function, where the charging current is constant and relatively small (less than 1 μA). This is done by replacing the basic RE, with a JFET and 10-MΩ pot. The 1-μA constant-charging current provides time delays up to about 10 min.
Reprinted Url Of This Article:
http://www.seekic.com/circuit_diagram/Control_Circuit/Time_delay_with_constant_charging_current.html
Print this Page | Comments | Reading(3)
Response in 12 hours
© 2008-2012 SeekIC.com Corp.All Rights Reserved.
Code: