Published:2011/6/25 7:33:00 Author:Sue | Keyword: Timing, Controler | From:SeekIC

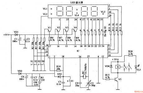
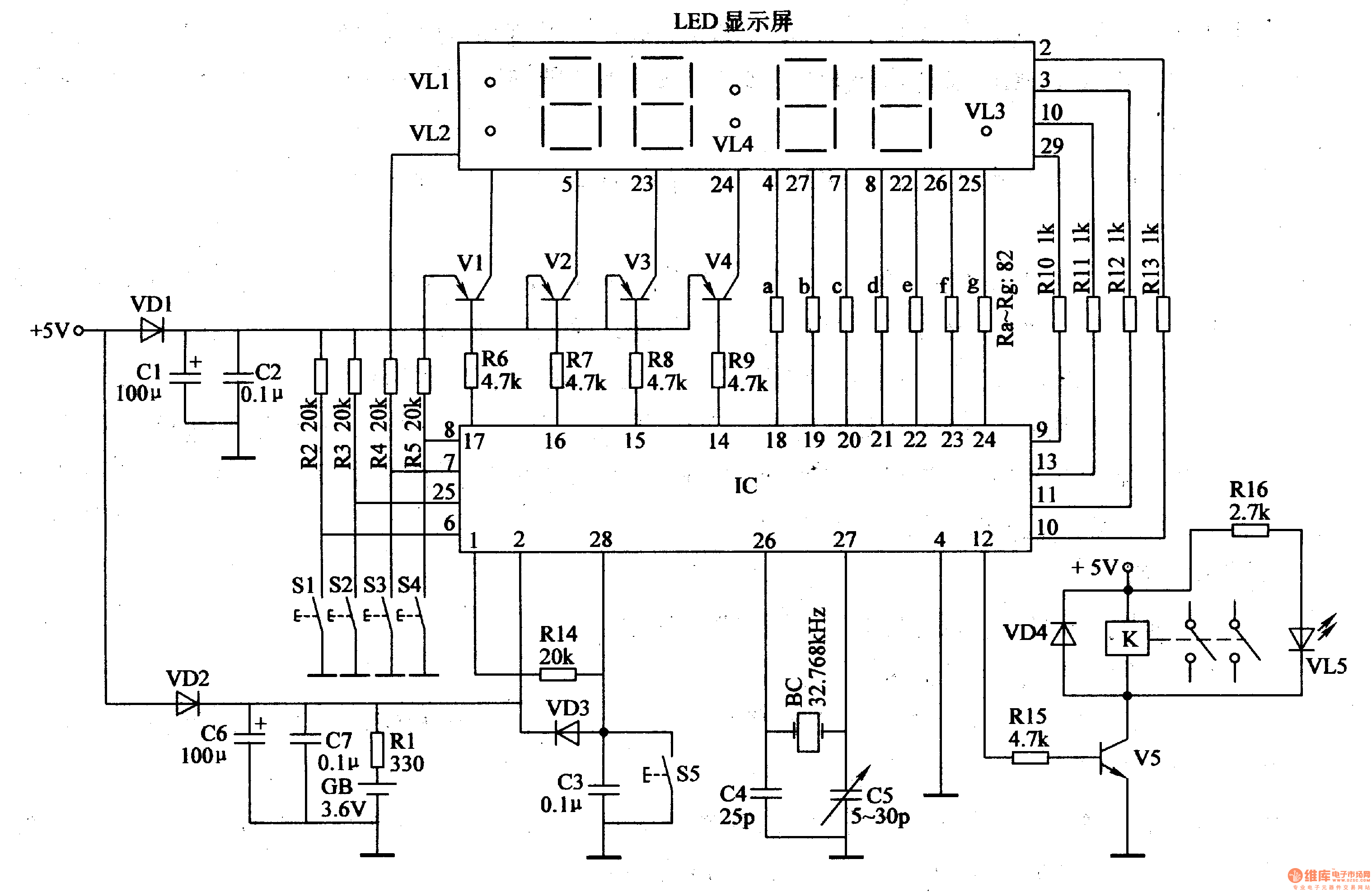
When the swtich is turned on, +5v voltage will provide LED screenwith working power. IC will get electricity and GB will be charged.
When the time can be set, S2 will be used to set the hour and the minute. S3 will be used to add the time figure while S4 can be used to reduce the time figure. When it is in the timer function, S2 can be used to decide the working condition of the timer. When it is in running function, S2 is used to decide the manual state. S3 is used to start the power while S4 is used to cut off the power.
Reprinted Url Of This Article:
http://www.seekic.com/circuit_diagram/Control_Circuit/Timing_Controler_1.html
Print this Page | Comments | Reading(3)
Code: