Published:2011/7/24 23:04:00 Author:Ecco | Keyword: Timing controller | From:SeekIC

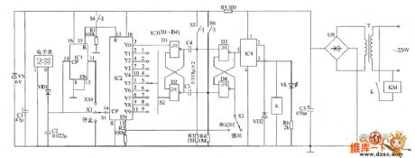
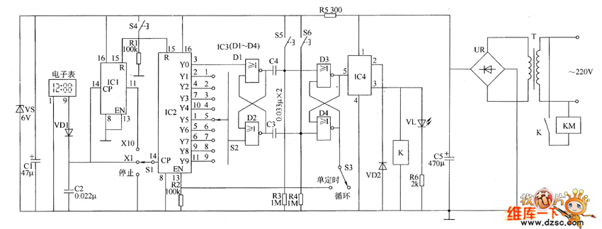
The timing controller circuit is composed of the power supply circuit, clock signal generator, counting distributor circuit, trigger circuit and control output circuit, and the circuit is shown as the chart. Power supply circuit is composed of the power transformer T, bridge rectifier UR, filter capacitors C1, C5, current limiting resistor R5 and Zener diode VS. The clock signal generator is composed of the electronic watch, diode VD1, capacitor C2 and count divider integrated circuit IC1. Counting distributor circuit consists of the counting distributor integrated circuit IC2, resistors R1, R2, timer selector switches S1, S2 and reset button.
Reprinted Url Of This Article:
http://www.seekic.com/circuit_diagram/Control_Circuit/Timing_controller_circuit_diagram.html
Print this Page | Comments | Reading(3)
Code: