Published:2011/7/21 20:05:00 Author:Sue | Keyword: Touch, Lamp Switch | From:SeekIC

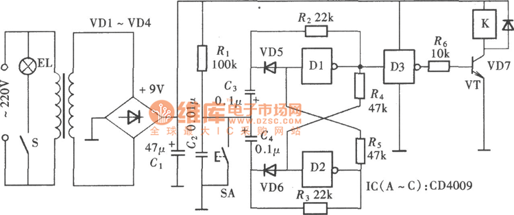
The touch lamp switch can turn on or turn off the lamp by being touched by any body part of people. For some certain occasions, this function is very meaningful. The picture shows how it is composed. The circuit uses only one hex inverter CD4069. Two gates D1,D2 of it compose a negative pulse bistable flip-flop. It uses the other gate D3 to compose an phase inverter. Then it uses a relay driving tube to drive a relay to achieve the lamp switch control.
Reprinted Url Of This Article:
http://www.seekic.com/circuit_diagram/Control_Circuit/Touch_Lamp_Switch_Circuit_Composed_of_CD4009.html
Print this Page | Comments | Reading(3)
Code: