Published:2009/6/24 21:10:00 Author:Jessie | From:SeekIC

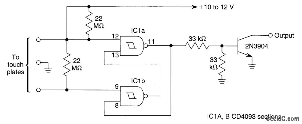
Two NAND Schmitt triggers are used as a flip-flop to produce a bridged touch switch.
Reprinted Url Of This Article:
http://www.seekic.com/circuit_diagram/Control_Circuit/Touch_Switch.html
Print this Page | Comments | Reading(3)
Code: