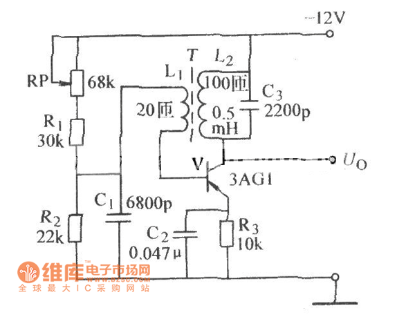
Published:2011/4/7 2:13:00 Author:Jessie | Keyword: Transformer feedback oscillation | From:SeekIC

Reprinted Url Of This Article:
http://www.seekic.com/circuit_diagram/Control_Circuit/Transformer_feedback_oscillation_circuit_diagram.html
Print this Page | Comments | Reading(3)
Code: