Published:2011/7/9 1:48:00 Author:Sue | Keyword: Twinkling, Ornamental, Illuminations | From:SeekIC

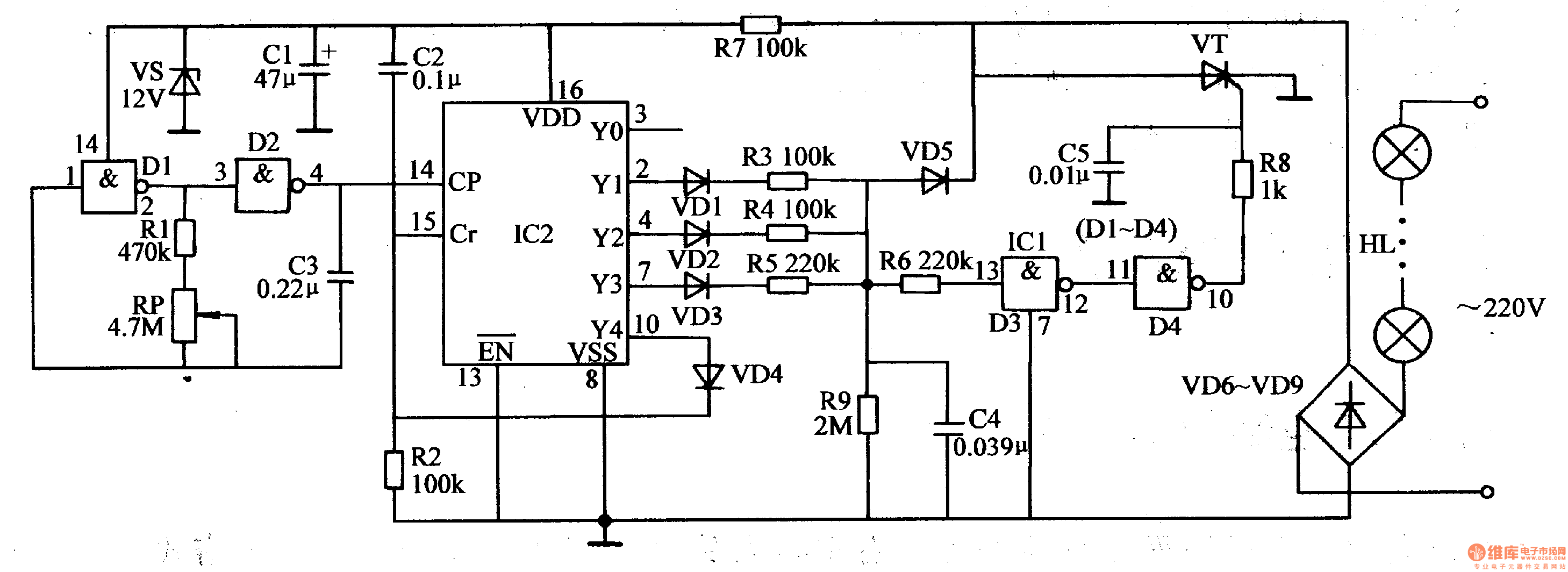
When IC2's Y1-Y3 terminals output high level(when one terminal outputs high level, other terminals will output low level), C4 will be charged. Its voltage will be put on VT's gate electrode through R6,NOT GATE D3,D4 and R8 which will make VT connected. HL will be illuminated. After VT is connected, C4 will charge VT through VD5. Because the resistance values of the resistor R3,R4,R5 are different from each other, when IC2's Y1-Y3 terminals output high level respectively, C4's charge time is different, which will make VT's conductingextents different. Then HL's working voltages are different which will make the illuminations brightness different. The smaller the resistor(R3-R5)'s resistance values are, the longer C4's charge time will be, the larger VT's conducting angle will be, the higher HL's working voltage will be, and the lighter the illuminations will be.
Reprinted Url Of This Article:
http://www.seekic.com/circuit_diagram/Control_Circuit/Twinkling_Ornamental_Illuminations_2.html
Print this Page | Comments | Reading(3)
Code: