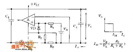
Published:2011/5/12 21:31:00 Author:Nicole | Keyword: constant current, overcurrent protection | From:SeekIC

Reprinted Url Of This Article:
http://www.seekic.com/circuit_diagram/Control_Circuit/Typical_constant_current_overcurrent_protection_circuit_diagram.html
Print this Page | Comments | Reading(3)
Code: