Published:2009/7/9 1:07:00 Author:May | From:SeekIC

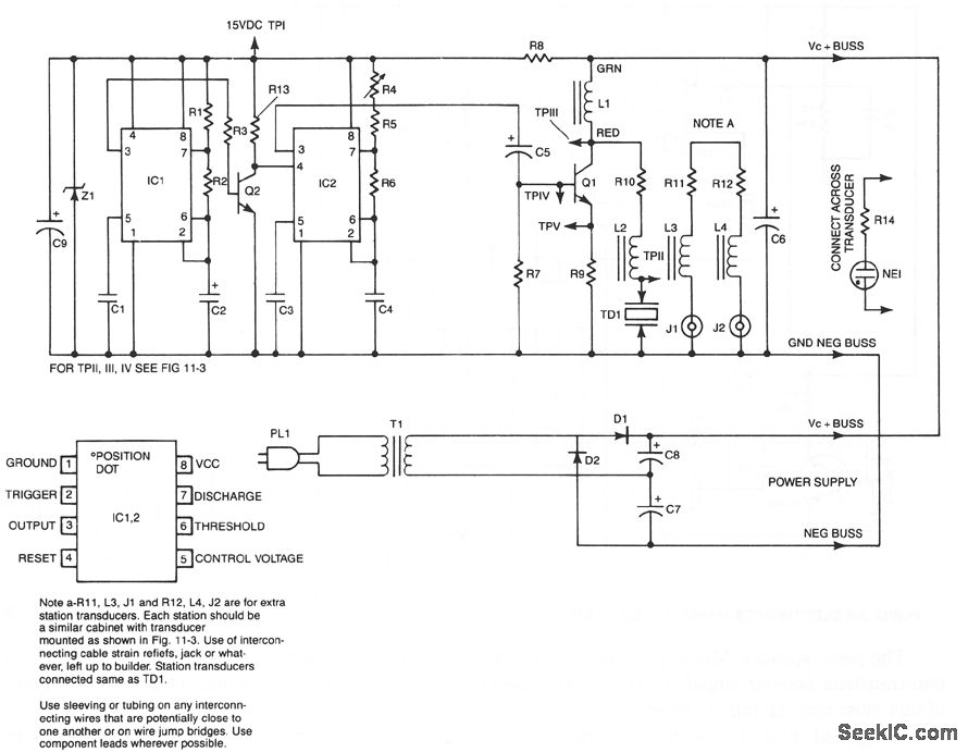
IC2 forms a stable oscillator whose frequency and pulse width is determined by the values of R4, R5, R6, and C4. R4 is made adjustable for precise frequency setting. The output of IC2 is pin 3, which is capacitively coupled to the base of Q1. L1 acts as a high-impedance choke to the signal, while allowing the collector of Q1 to be dc-biased. Q1 amplifies the positive pulses from IC2 and step drives the series resonant combination of L2 and TD1. Resistor R10 serves to broaden the response of this resonant circuit. L2 and the inherent capacity of the transducer, TD1, forms a resonant circuit at around 23 kHz. It is usually found that most rodents are bothered when the signal is pulsed with the off exceeding the on time. This timing is accomplished via timer IC1 and timer inverter Q2. IC1 is free running and its periods are determined by R1, R2, and C2 to be approximately two seconds off and two seconds on. The periods are inverted via Q2 and used to gate pin 4 of IC2, the frequency oscillator, tuming it on for two seconds and off for three seconds. The power supply is a conventional voltage doubler with a zener regulator for the oscillator voltages.
Reprinted Url Of This Article:
http://www.seekic.com/circuit_diagram/Control_Circuit/ULTRASONIC-PULSED_PEST_CONTROLLER.html
Print this Page | Comments | Reading(3)
Code: