Published:2009/7/16 5:03:00 Author:Jessie | From:SeekIC

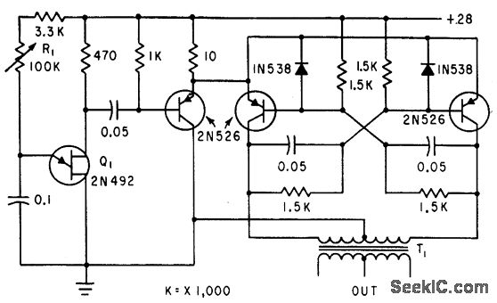
Transistor mvbr trigger for scr inverter is controlled by unijunction relaxation oscillator Q1. Squarewave output of T1 is required for triggering some inverter circuits.-D. V. Jones, Tum-Off Circuits for Controlled Rectifiers, Electronics, 33:32, p 52-55.
Reprinted Url Of This Article:
http://www.seekic.com/circuit_diagram/Control_Circuit/UNIJUNCTION_CONTROL_0F_MVBR.html
Print this Page | Comments | Reading(3)
Code: