Published:2009/7/17 4:13:00 Author:Jessie | From:SeekIC

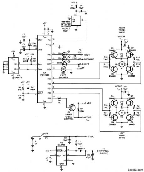
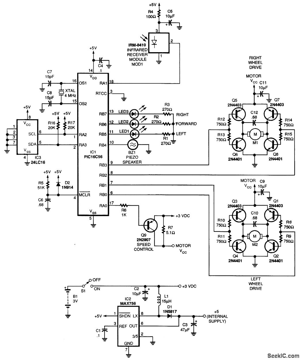
This project uses a microcontroller programmed with software that is posted on the Gerns-back BBS at 516-293-2283 as part of RUNABOUT.ZIP. The robot can be controlled via a universal remote control.
Reprinted Url Of This Article:
http://www.seekic.com/circuit_diagram/Control_Circuit/UNIVERSAL_REMOTE_CONTROLLED_ROBOT.html
Print this Page | Comments | Reading(3)
Code: