Published:2011/4/20 1:30:00 Author:Nicole | Keyword: ultrasonic remote control, dimming light | From:SeekIC


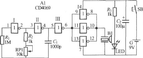
Ultrasonic transmitter circuit:
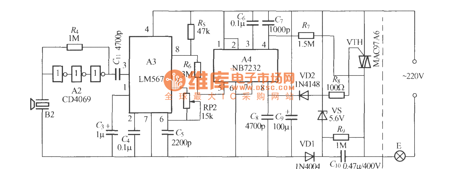
Ultrasonic remote control dimming receiver circuit:
B1、B2 adopt well-assorted TCT40-12F2 and TCT40-12F2 piezoelectric ceramics ultrasonic transducer.
Reprinted Url Of This Article:
http://www.seekic.com/circuit_diagram/Control_Circuit/Ultrasonic_remote_control_dimming_light_receiver.html
Print this Page | Comments | Reading(3)
Code: