Published:2011/7/19 23:16:00 Author:chopper | Keyword: United reaper, full warehouse reminder | From:SeekIC

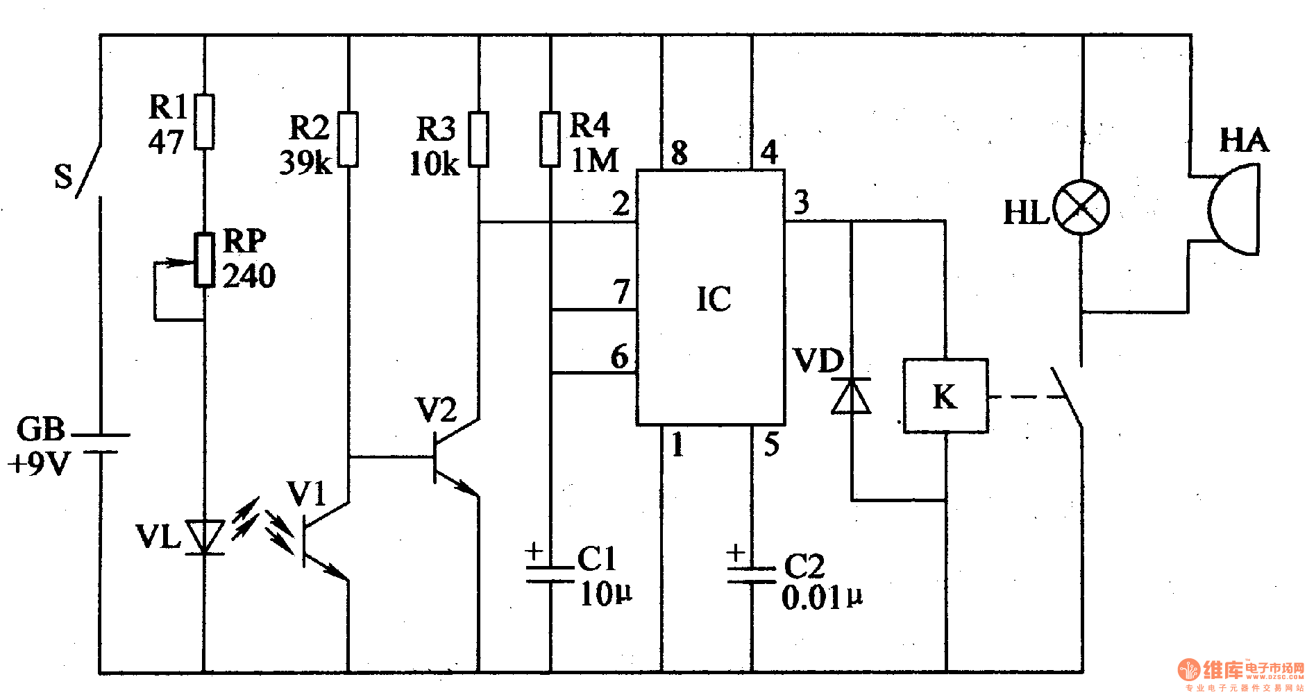
The principle of circuitThe united reaper full warehouse reminder circuit is formed by the photoelectric detection amplification circuit,monostability circuit and the sound and light alarm circuit,which is shown in Figure 4-98. The photoelectric detection amplification circuit is formed by the infrared light-emitting one-diode VL,resistors R1-R3, potentiometer RP, infrared phototransistor V1 and transistor V2. The monostability circuit is formed by the time-base integrated circuit IC,resistor R4 and capacitors C1, C2. The sound and light alarm circuit is formed by the relay K, one-diode VD, indicator light HL and buzzer HA.
Reprinted Url Of This Article:
http://www.seekic.com/circuit_diagram/Control_Circuit/United_reaper_full_warehouse_reminder_1.html
Print this Page | Comments | Reading(3)
Code: