Published:2013/6/7 21:24:00 Author:muriel | Keyword: Unplugable Walk Around Control , Delayed Reversing Schematic | From:SeekIC

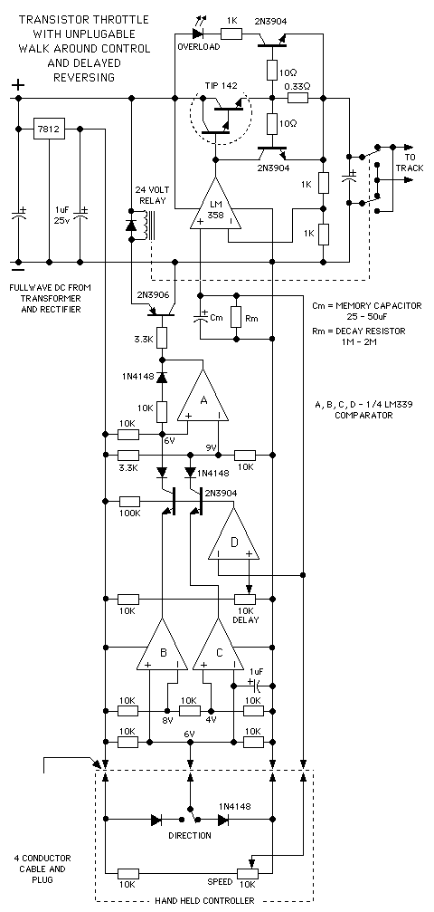
next up is the basic transistor throttle with unplugable walk around control added. The direction memory uses an LM339 quad comparator and has a delayed action so that the direction can not change if the throttle output is above a predetermined voltage.
The delayed reverse section, comparator section D, of the circuit grounds the bases of the transistors whenever the voltage at its PLUS input is higher than the reference voltage at the MINUS input. The PLUS input is connected to the throttle control voltage line.
When the transistor bases are grounded they cannot conduct and any changes at their emitters will have no effect until the control voltage again falls below the preset level.
Comparator sections B and C function as a voltage window detector. That is to say the outputs of both section Band C are high as long as the direction signal voltage is between 4 and 8 volts. If the signal goes below 4 volts or above 8 volts the appropriate output will go low and the direction will change accordingly.
If the controller is unplugged the direction signal will go to 6 volts and the train will maintain its last direction.
Please refer to the voltage comparator information page on this web site for help on how comparators work.
Reprinted Url Of This Article:
http://www.seekic.com/circuit_diagram/Control_Circuit/Unplugable_Walk_Around_Control_and_Delayed_Reversing_Schematic.html
Print this Page | Comments | Reading(3)
Code: