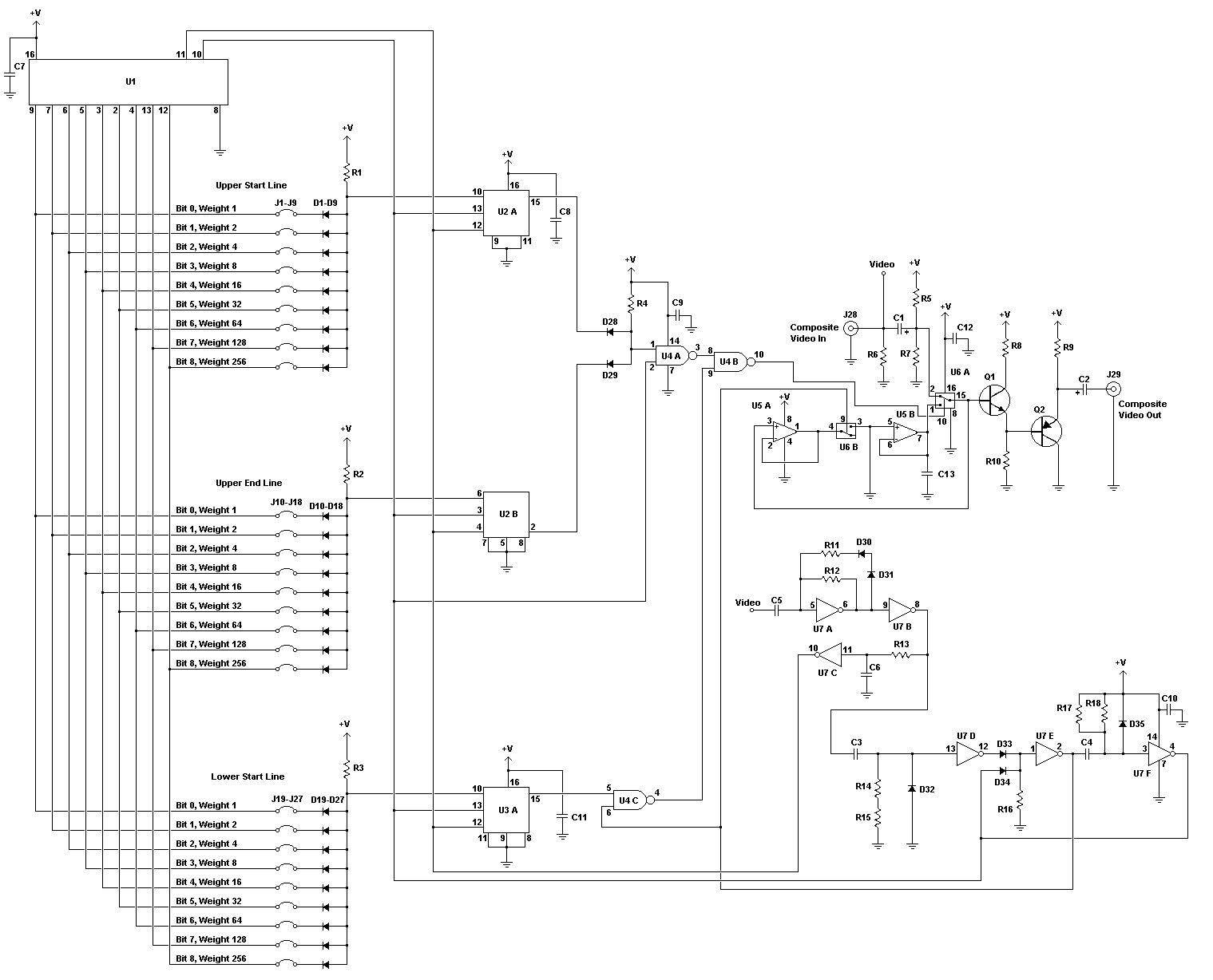
Published:2012/12/11 0:33:00 Author:muriel | Keyword: Video Stabilizer, MacroVision Removal | From:SeekIC

Reprinted Url Of This Article:
http://www.seekic.com/circuit_diagram/Control_Circuit/Video_Stabilizer_MacroVision_Removal.html
Print this Page | Comments | Reading(3)
Code: